Бензиновий двигун Loncin LC2V80FD (26 к.с., вал 28.575 мм) — Потужність та Надійність.
Loncin LC2V80FD — це флагманський двоциліндровий двигун, розроблений для роботи у важких умовах. Завдяки потужності у 26 к.с. та високому крутному моменту, цей агрегат є ідеальним вибором для професійної садової, будівельної та сільськогосподарської техніки (мінітракторів, потужних генераторів, подрібнювачів гілок тощо).
Основні переваги моделі:
- Двоциліндрова архітектура (V-Twin): Забезпечує стабільну роботу, низький рівень вібрації та швидкий відгук на зміну навантаження.
- Максимальний ресурс: Чавунна гільза циліндра та верхнє розташування клапанів (OHV) гарантують тривалий термін експлуатації та стійкість до зносу.
- Інтелектуальний захист: Вбудований датчик рівня масла автоматично блокує роботу двигуна при його дефіциті, запобігаючи критичним поломкам.
- Ефективне охолодження: Система примусового повітряного обдування підтримує оптимальну температуру навіть при тривалих інтенсивних навантаженнях.
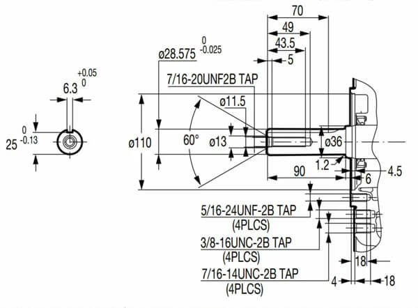
Технічні параметри вала:
Особливу увагу приділено сумісності з обладнанням. Дана модифікація має наступні параметри вихідного вала:

- Тип вала: Вертикальний, під шпонку.
- Діаметр: 28.575 мм.
- Довжина: 90.5 мм.

Основні технічні характеристики – Двигун Loncin LC2V80FD (діам.вала- 28.575 мм, довжина – 90.5 мм) 26 к.с. бензиновий
Тип двигуна – 2-х циліндровий, 4-х тактний OHV
Тип палива – бензин
Охолодження – повітряне
Об’єм двигуна – 764.0 (см.куб.)
Потужність – 26.0 (к.с.)
Потужність кВт – 19.0 (кВт)
Тип запуску – електростартер
Діаметр циліндра x Хід поршня – 80 x 76 (мм)
Оберти двигуна – 3600.0 (об./хв.)
Повітряний фільтр – поролон + папір
Ємність моторного масла – 1.8 (л)
Суха вага – 49.0 (кг)
Д x Ш x В – 510 х 506 х 500 (мм)
Виробник – Loncin
Країна – Китай

Офіційна гарантія Loncin – 12 місяців
Чому обирають Loncin?
Двигуни цього бренду відомі своєю паливною економічністю та відповідністю сучасним екологічним стандартам. Це “робоча конячка”, яка не підведе у відповідальний момент.
Бренд Loncin добре відомий своєю якістю в Україні та за кордоном, і по праву вважається лідером серед двигунів середнього цінового сегменту.
Призначений для встановлення на генератори, мотоблоки, мотопомпи, різноманітну будівельну техніку і т.д.
Вже зараз замовляйте! З нами можна дуже вигідно купити двигун для вашої техніки!
Оплата: готівка, безготівка з ПДВ (уточнюйте можливість перед замовленням, залежить від продукції), наложка (при отриманні за допомогою Нової Пошти)
Доставка по Україні: Нова Пошта
Представлений бренд:
LONCIN – продукція преміум класу від китайських виробників за доступною ціною.
На всю продукцію надається офіційна гарантія від виробника:
Гарантія Loncin – до 12 місяців
ПЕРЕГЛЯНУТИ:














Відгуки
Відгуків немає, поки що.