Двигатель бензиновый Honda GX120 UT3 SX4 OH – это мощный и надежный четырехтактный бензиновый агрегат с верхним расположением клапанов (OHV). Идеален для использования в профессиональном оборудовании, таком как генераторы, насосы, сварочные аппараты и т.п. Высокая литровая мощность, низкий уровень шума и вибрации, а также долговечность – лишь некоторые из преимуществ этой модели.
Особенности двигателя Honda GX120
- Верхнеклапанная конструкция (OHV) обеспечивает оптимальное сгорание топливно-воздушной смеси, что повышает эффективность работы двигателя и снижает расход топлива.
- Высокая мощность с каждого литра объема делает этот двигатель одним из самых производительных в своем классе.
- Надежность и долговечность достигаются благодаря использованию высококачественных материалов и передовых технологий производства.
- Легкий запуск даже в холодное время года благодаря автоматической системе декомпрессии и удобной ручке стартера.
- Экологически чистый двигатель, отвечающий строгим международным стандартам.
- Низкий расход топлива и растительного масла
- Низкий уровень вибрации и шума
Технические характеристики — Двигатель Honda GX120 UT3 SX4 OH (оригинал)
Тип двигателя – 4-тактный, Бензиновый
Запуск – Ручной
Тип топлива – Бензин
Количество цилиндров – одноцилиндровый
Угол наклона цилиндра, ° – 25
Расположение вала — Горизонтальное.
Распределительный вал – OHV
Диаметр вала мотора, мм – 18
Тип гильзы цилиндра – чугунная.
Диаметр гильзы х ход поршня, мм – 60 x 43
Коэффициент сжатия – 8.5:1
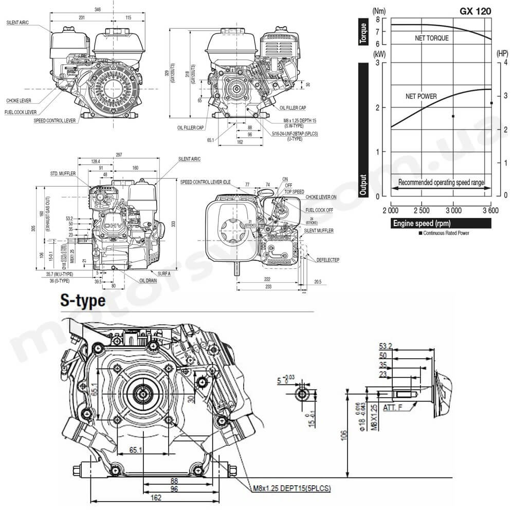
Полезная мощность — 2.4 кВт (3.2 л. c.) / 3600 об/мин
Номинальная мощность — 1.8 кВт (2.4 л.с.) / 3000 об/мин
Максимальный крутящий момент – 7.5 Нм / 0.76 кгм / 2500 об/мин
Система зажигания — Транзисторная
Емкость топливного бака, л — 2
Расход топлива при номинальной мощности – 1 л/ч – 3600 об/мин
Объем масла в двигателе, л — 0.56
Объем двигателя в см³ — 122
Мощность двигателя, л.с. — 3.2
Максимальная мощность, кВт – 2.4
Обороты, об/мин — 3600
Длина х Ширина х Высота, мм — 305 х 346 х 333
Сухая масса, кг – 13.2
Совместимость с маркой — Honda
Страна – Таиланд
Розмеры вала и двигателя Honda GX 120 UT3 SX 4 OH:

Honda GX 120 UT3 SX4 OH — надежное сердце вашей техники.
Хотите, чтобы ваша техника работала без перебоев? Тогда двигатель Honda GX 120 UT3 SX 4 OH – это именно то, что вам нужно. Его высокое качество, долговечность и простота эксплуатации делают его одним из самых популярных двигателей в своем
классе.
На сайте могут отображаться не все модели двигателей, которые доступны в Украине, поэтому уточняйте в телефонном режиме или пишите на Вайбер. Номер телефона указан НИЖЕ.
Цены на сайте указаны розничные. Но всегда можно договориться! ЗВОНИТЕ и узнайте о наличии, возможных акциях или получите помощь в выборе товара: +38 067-704-28-67
Оплата: наличный, безналичный с НДС (уточняйте возможность перед заказом, зависит от продукции), наложка (при получении с помощью Новой Почты)
Доставка по Украине: Новая Почта
Звоните уже сейчас и заказывайте! С нами можно очень вигодно договориться!
Представленный бренд:
HONDA — бесспорный лидер среди силового оборудования во всём мире.
На всю продукцию предоставляется официальная гарантия от производителя:
Гарантия Honda — до 36 месяцев (зависит от модели и вида эксплуатации)
ПРОСМОТРЕТЬ:












Отзывы
Отзывов пока нет.